panneau photovoltaique schema
Les systèmes solaires photovoltaïques sont plus que jamais au cœur des préoccupations énergétiques. Grâce à des avancées technologiques considérables, de nombreux foyers envisagent de devenir autonomes sur le plan énergétique tout en préservant notre planète. La bonne compréhension des schémas de branchement des panneaux solaires est essentielle pour garantir la réussite de cette transition vers une énergie verte. Cet article aborde en profondeur les aspects cruciaux liés à l’installation, la structure et l’optimisation de ces systèmes énergétiques. Découvrez comment exploiter pleinement les technologies photovoltaïques pour améliorer votre quotidien.
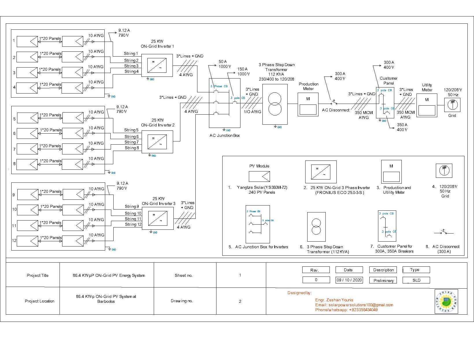
Comprendre les bases du schéma de branchement des panneaux solaires
Avant de se lancer dans l’installation, il est fondamental de savoir ce qu’implique un schéma de branchement des panneaux solaires. Un schéma bien conçu s’avère indispensable pour garantir le bon fonctionnement d’un système photovoltaïque. Il s’agit d’une représentation graphique qui illustre comment les différents composants sont interconnectés dans le réseau électrique de votre domicile. Cela inclut les panneaux solaires, les onduleurs, le câblage et d’autres éléments clés.

Les principaux composants d’un système solaire
Dans un système de panneaux solaires, plusieurs éléments doivent être pris en compte :
- Panneaux solaires : Ce sont les dispositifs qui captent la lumière du soleil pour la convertir en électricité.
- Onduleurs : Ils transforment l’énergie électrique produite (courant continu) en courant alternatif, utilisable dans les foyers.
- Batteries : Si la conception intègre un système de stockage, les batteries permettent de conserver l’énergie produite pour une utilisation ultérieure.
- Câblage : Le choix des câbles est crucial. Un câblage de mauvaise qualité peut mener à des pertes d’énergie.
L’importance des schémas dans la conception de votre installation
Un schéma de branchement détaillé permet d’anticiper les complications éventuelles et garantit une installation sûre et efficace. Les avantages d’un schéma bien défini sont multiples, notamment :
- Prévention des erreurs d’installation et amélioration de la performance.
- Facilite la mise en conformité avec les normes de sécurité.
- Optimisation de la production d’énergie renouvelable.
Pour des exemples et des modèles de schémas, consultez des ressources telles que Nouvel’R Énergie, qui fournit des guides et diagrammes pertinents.
Les types de branchements pour panneaux solaires
Les branchements des panneaux solaires peuvent se faire principalement en deux configurations : en série et en parallèle. Chaque méthode aura un impact différent sur les performances du système.
| Type de Branchement | Avantages | Inconvénients |
|---|---|---|
| En Série | Augmente la tension, idéal pour des distances longues. | Si un panneau est à l’ombre, toute la série subit une baisse de production. |
| En Parallèle | Maintient l’intensité tout en garantissant une meilleure performance individuelle. | Peut nécessiter un câblage plus complexe et coûteux. |
Il est crucial d’évaluer les spécificités de votre installation pour déterminer quel type de branchement répond le mieux à vos besoins. Un schéma de raccordement des panneaux peut donc inclure une combinaison des deux méthodes, en fonction des exigences spécifiques de votre projet. Pour approfondir le sujet, consultez également Panneaux Photovoltaïques.
Matériel nécessaire à l’installation de panneaux solaires
Installer un système photovoltaïque nécessite un matériel approprié pour assurer son fonctionnement optimal. Avant de commencer, établir une liste d’équipements adéquate est conseillé. Les kits photovoltaïques plug-and-play, par exemple, peuvent grandement faciliter cette tâche.

Liste du matériel indispensable
Voici un aperçu des éléments essentiels à prendre en compte :
- Panneaux solaires : Choisis en fonction des technologies qui répondent le mieux à vos besoins (monocristallins, polycristallins ou hybrides).
- Onduleurs : Optez pour des modèles adaptés à la puissance de votre installation.
- Outils de montage : Assurez-vous d’avoir tous les outils nécessaires pour la fixation et le montage.
- Câblage et connecteurs : Choisissez des câbles de qualité pour minimiser les pertes.
Tableau récapitulatif des éléments essentiels
| Élément | Caractéristiques Recommandées |
|---|---|
| Panneaux Solaires | Monocristallins avec rendement supérieur à 18% |
| Onduleurs | Micro-onduleurs pour une meilleure optimisation de l’énergie |
| Connecteurs | Normes IP67 pour garantir l’étanchéité |
Les technologies solaires évoluent rapidement et il est essentiel de se familiariser avec les différentes options. Des marques comme JaSolar et Trina Solar sont de bons exemples de fabricants proposant une large gamme de panneaux adaptés aux besoins résidentiels et commerciaux.
Les étapes préparatoires avant l’installation
La phase de préparation avant l’installation est cruciale pour garantir la réussite de votre projet. Cette étape vise à évaluer votre site et à planifier l’installation en fonction de vos besoins énergétiques et des contraintes techniques.

Évaluation du site et démarches administratives
Avant de commencer, il est opportun de procéder à une évaluation détaillée de votre site. Voici quelques éléments clés à vérifier :
- Orientation et inclinaison du toit : Un toit orienté plein sud est idéal.
- Exposition solaire : Évaluez l’ombre des bâtiments ou arbres voisins.
- Normes régionales : Informez-vous sur les réglementations locales concernant l’installation de panneaux solaires.
Il est crucial d’obtenir toutes les autorisations nécessaires, telles que mentionnées sur EDF Solutions Solaires, pour éviter des complications administratives par la suite.
Préparation technique
Avant d’installer vos panneaux solaires, assurez-vous que tout l’équipement soit conforme aux normes et à la configuration souhaitée. Des entreprises comme Solairedirect et GreenYellow offrent des guides pratiques pour maximiser l’efficacité de votre projet. Ces préparatifs sont essentiels pour garantir non seulement sécurité mais aussi performances optimales de votre installation.
Installation et mise en service des panneaux solaires
Une fois que toutes les étapes préparatoires sont établies, il est temps de procéder à l’installation. Ce processus doit être exécuté avec rigueur. Les recommandations techniques doivent être suivies pour assurer un meilleur résultat.
Les étapes d’installation
Voici les étapes clés pour installer vos panneaux solaires :
- Mise en place des supports : Installer les supports de fixation sur votre toiture.
- Montage des panneaux : Fixer les panneaux de manière sécurisée.
- Branchement électrique : Assurez-vous de suivre le schéma de raccordement défini au préalable.
Tests de fonctionnement
Avant de mettre en service votre installation, effectuez des tests pour garantir la solidité du système. Vérifiez les connexions, la production d’énergie et toute mesure de sécurité éventuelle. La réussite de l’installation repose sur des vérifications minutieuses. Pour plus d’informations, consultez ce guide pratique.
Entretien et pérennité du système solaire
Un bon entretien prolongera la durée de vie de votre système solaire. Les panneaux sont conçus pour durer, mais un suivi régulier est nécessaire pour garantir leur performance.
Fréquence d’entretien recommandée
Les recommandations pour l’entretien des panneaux solaires sont les suivantes :
- Contrôle semestriel : Inspectez visuellement les panneaux pour détecter tout dommage.
- Nettoyage annuel : Utilisez de l’eau douce pour nettoyer la surface des panneaux, sans produits abrasifs.
- Vérification des connexions : S’assurer de l’intégrité et des performances des connexions électriques.
Détection des problèmes courants
Il est impératif d’identifier rapidement tout problème potentiel, tel que :
| Problème | Impact | Solution |
|---|---|---|
| Microfissures | Réduction de l’efficacité énergétique | Faire appel à un professionnel pour une inspection détaillée |
| Accumulation de poussière | Diminution de la production | Planifier un nettoyage régulier |
| Défauts de connexion | Interruption de la production | Vérification et correction des connexions électriques |
Un entretien et un suivi réguliers peuvent augmenter la durée de vie de votre système solaire de plusieurs années, optimisant ainsi votre retour sur investissement.

Laisser un commentaire